Магазин запчастей для бытовой техники - Arlos
Москва
close
Выберите ваш регион
АбаканАлександровАльметьевскАнгарскАрзамасАрмавирАртемАрхангельскАстраханьАчинскБалаковоБалашихаБеларусьБелгородБердскБерезникиБийскБлаговещенскБратскБрянскВеликий НовгородВидноеВладивостокВладикавказВладимирВолгоградВолгодонскВолжскийВологдаВолховВоркутаВоронежВоскресенскВыборгГатчинаГеленджикГрозныйДедовскДербентДзержинскДзержинскийДимитровградДмитровДолгопрудныйДомодедовоДонецкЕвпаторияЕгорьевскЕкатеринбургЕлецЕссентукиЖелезногорскЖелезнодорожныйЖуковскийЗеленоградЗлатоустИвановоИвантеевкаИжевскИркутскИстраЙошкар-ОлаКазаньКалининградКалугаКаменск-УральскийКамышинКаспийскКемеровоКерчьКировКисловодскКлинКовровКоломнаКомсомольск-на-АмуреКопейскКоролёвКостромаКотельникиКрасногорскКраснодарКраснознаменскКрасноярскКурганКурскКызылЛенинск-КузнецкийЛипецкЛобняЛыткариноЛюберцыМагнитогорскМайкопМалаховкаМахачкалаМиассМоскваМурманскМуромМытищиНабережные ЧелныНазраньНальчикНаро-ФоминскНахабиноНаходкаНевинномысскНефтекамскНефтеюганскНижневартовскНижнекамскНижний НовгородНижний ТагилНовокузнецкНовокуйбышевскНовомосковскНовороссийскНовосибирскНовоуральскНовочебоксарскНовочеркасскНовошахтинскНовый УренгойНогинскНорильскНоябрьскОбнинскОдинцовоОктябрьскийОмскОрелОренбургОрехово-ЗуевоОрскПавловский ПосадПензаПервоуральскПермьПетрозаводскПетропавловск-КамчатскийПодольскПрокопьевскПсковПушкиноПятигорскРаменскоеРеутовРостов-на-ДонуРубцовскРыбинскРязаньСакиСалаватСамараСанкт-ПетербургСаранскСаратовСевастопольСеверодвинскСеверскСергиев ПосадСерпуховСимферопольСмоленскСосновый БорСочиСтавропольСтарый ОсколСтерлитамакСтупиноСургутСызраньСыктывкарТаганрогТамбовТверьТихвинТольяттиТомилиноТомскТроицкТулаТюменьУлан-УдэУльяновскУссурийскУсть-ИлимскУфаУхтаФеодосияФрязиноХабаровскХанты-МансийскХасавюртХимкиЧебоксарыЧелябинскЧереповецЧеркесскЧеховЧитаШахтыЩелковоЭлектростальЭлистаЭнгельсЮжно-СахалинскЯкутскЯлтаЯрославль
  • - бесплатно по РФ
    Автоперезвон. Работает по принципу: Вы позвонили на номер, мы сбрасываем звонок и перезваниваем через 3 секунды.
  • - по Москве
  • 8 (925) 663-83-63

Call-центр

пн-вс: 10:00-19:00

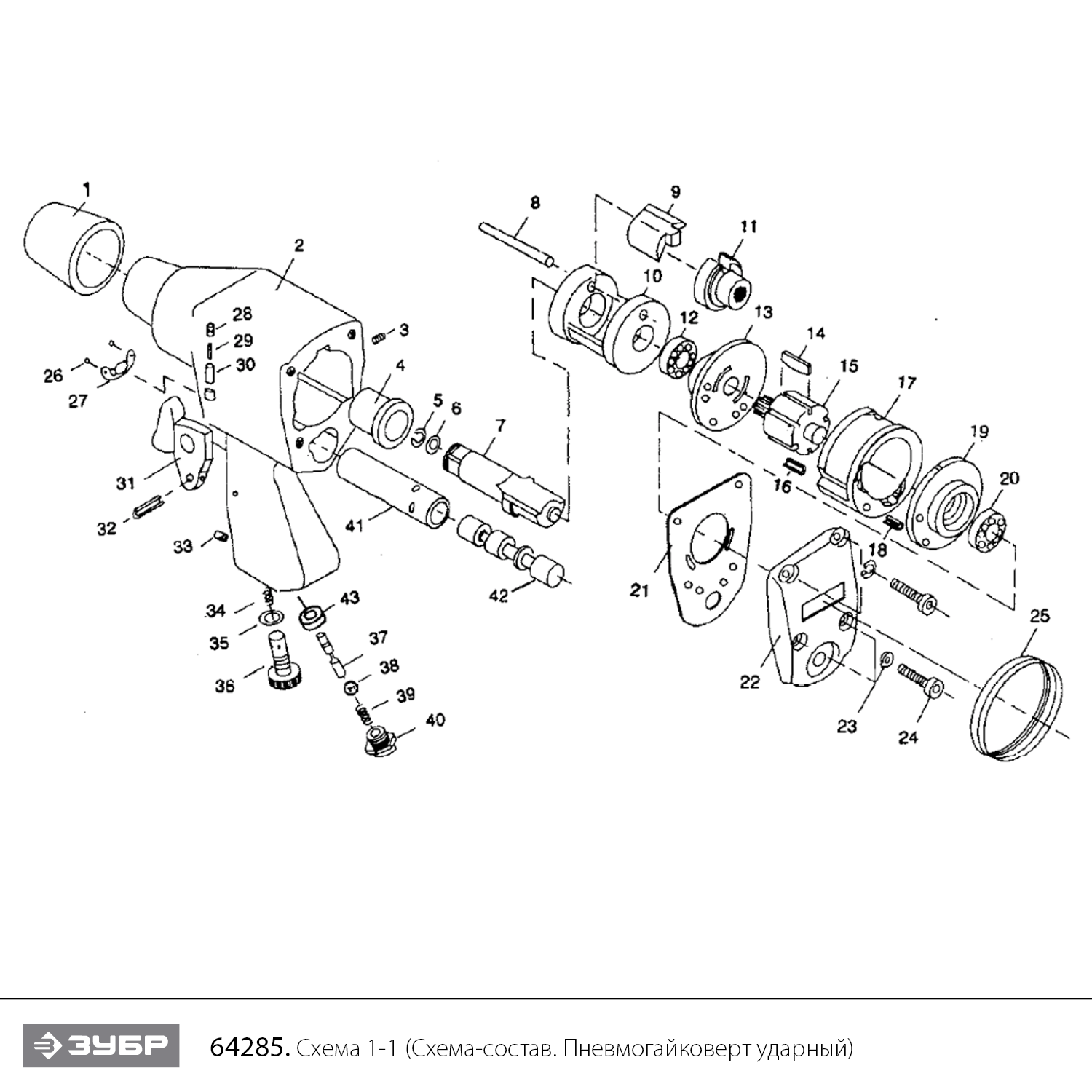
Ударный пневмогайковерт МГ-320 64285

Данная модель имеет несколько схем

NАртикулНазваниеСрок отгрузкиЦенаКупить
1 N000-031-207 Кожух защитный
2 N000-031-208 Корпус
4 N000-031-209 Втулка скольжения D17
5 N000-031-210 Кольцо стопорное D13.8xd11.3xh2 разрезное
6 N000-031-211 Кольцо уплотнительное D11хd7х2 41 р.
7 N000-031-212 Шпиндель 1/2″ 751 р.
8 N000-031-213 Шпилька D8х52.4
9 N000-031-214 Ударник 771 р.
10 N000-031-215 Держатель ударника
11 N000-031-216 Привод ударника
12 U009-600-1RS Подшипник шариковый 6001-2Z (28х12х8) CHFZ 286 р.
13 N000-031-217 Крышка торцевая передняя 1.387 р.
14 N000-031-218 Лопасть ротора L35 W14 h2.6 204 р.
15 N000-031-219 Ротор D36.5 L72
16 N000-031-220 Шпилька D3х8
17 N000-031-221 Цилиндр рабочей камеры
18 N000-031-222 Шпилька D3х14
19 N000-031-223 Крышка торцевая задняя
21 N000-031-224 Прокладка задняя h2.0 166 р.
22 N000-031-225 Крышка корпуса задняя
24 N000-031-226 Винт M5х22 Hex 95 р.
25 N000-031-227 Кольцо уплотнительное D86хd80хh18
27 N000-031-228 Дефлектор выпускной
29 N000-031-229 Пружина D2.8х17.6
30 N000-031-230 Втулка D4.d2.9х17
31 N000-031-231 Курок 723 р.
32 N000-031-232 Шпилька D3х14
34 N000-031-233 Пружина D9.5х23
35 N000-031-234 Кольцо уплотнительное D12хd8х2
36 N000-031-235 Винт регулировки момента
37 N000-031-236 Шток клапана D5х52 189 р.
38 N000-031-237 Шарик стальной D9.5
39 N000-031-238 Пружина D10х16
40 N000-031-239 Штуцер воздушный с вн.резьбой 1/4″ 118 р.
42 N000-031-240 Шток клапана направления вращения шпинделя
43 N000-031-241 Втулка D14хd7х4.5 92 р.
Найдено товаров: 36
1
▲ Наверх
0
8 (925) 663-83-63

Call-центр

пн-вс: 10:00-19:00

НАЙТИ ПО МОДЕЛИ
Введите номер заказа
Введите номер своего заказа, что бы узнать его текущий статус.
Что бы получить доступ к расширенным функциям, пройдите не сложную регистрацию. Зарегистрироваться